Eletrônica Analógica
No universo da eletrônica, a conversão de corrente alternada (CA) para corrente contínua (CC) é um processo essencial para a alimentação de diversos circuitos eletrônicos. Este processo é realizado por retificadores, dispositivos que utilizam diodos...
Os capacitores desempenham um papel fundamental em uma ampla variedade de circuitos eletrônicos. Eles armazenam e liberam energia elétrica, fornecem estabilidade em sinais, filtram ruídos, acoplam sinais entre estágios de amplificação, entre outras...
O conceito de resistência elétrica tem suas raízes no final do século XIX, quando cientistas como George Simon Ohm estabeleceram as leis fundamentais que governam o comportamento dos resistores em um circuito. A partir desse ponto, a engenharia...
Os indutores desempenham um papel fundamental na eletrônica, sendo utilizados em uma ampla variedade de circuitos e aplicações. Eles são componentes passivos que armazenam energia em um campo magnético quando uma corrente elétrica passa por eles. Os...
Um resistor é um componente eletrônico passivo que possui a função de limitar o fluxo de corrente elétrica em um circuito. Sua resistência elétrica é medida em ohms (Ω). Ao oferecer resistência ao fluxo de elétrons, os resistores auxiliam na...
Os fotoresistores, também conhecidos como LDRs (Light Dependent Resistors), são componentes eletrônicos que alteram sua resistência em resposta à luz incidente. Este artigo explora em detalhes o funcionamento, aplicações, vantagens e desvantagens dos...
No campo da engenharia, é fundamental que resultados teóricos sejam comparados com os experimentais e que diferentes projetos sejam avaliados quantitativamente. Isso só é possível de forma eficaz quando há uma padronização das unidades de medida...
O diodo varicap, também conhecido como diodo varactor, é um componente eletrônico semicondutor crucial para diversas aplicações em circuitos eletrônicos, especialmente em frequências de rádio (RF). Sua principal característica é a capacitância...
O Diodo Zener é um componente eletrônico essencial quando se trata de regulação de tensão em circuitos elétricos. Neste artigo, exploraremos detalhadamente o funcionamento do Diodo Zener, sua aplicação em sistemas eletrônicos, como calculá-lo, e como...
No fascinante mundo da física, a carga elétrica elementar, representada pela letra “e”, ocupa um lugar de destaque como a menor porção indivisível de carga elétrica que existe na natureza. Imagine algo tão minúsculo que não pode ser...
No intrincado mundo da geração de energia, a associação de geradores surge como uma ferramenta crucial para suprir as demandas cada vez mais complexas da sociedade moderna. Essa técnica engenhosa permite combinar a potência de múltiplos geradores...
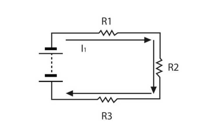
Entre as diversas configurações de circuitos, o “circuito em série” se destaca como um elemento fundamental. Neste artigo, exploraremos em detalhes o que é um circuito em série, como ele funciona e suas diversas aplicações na eletrônica...











