Eletrônica de Potência
Os inversores de frequência têm desempenhado um papel importante na otimização e eficiência de sistemas de controle de motores elétricos. Neste artigo, mergulharemos nos detalhes do funcionamento desses dispositivos, exploraremos sua evolução...
Os DIACs, ou Diodes for Alternating Current, são dispositivos semicondutores bidirecionais essenciais na eletrônica moderna. Neste artigo, iremos aprofundar-nos nesses componentes, explorando seu histórico, funcionamento detalhado, exemplos práticos...
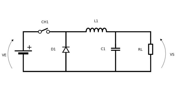
Os Conversores CC-CC, também conhecidos como choppers CC, permitindo a eficiente transformação de energia em diferentes níveis de tensão. Neste artigo, exploraremos os fundamentos, histórico, exemplos práticos e aplicações dos choppers CC, destacando...











